产品中心

24小时服务热线 0755-82544779

  • LN4050/LN4051
  • LN4050/LN4051
  • LN4050/LN4051
  • LN4050/LN4051

LN4050/LN4051

双通道 USB DCP 充电端口识别控制芯片,可根据插入的终端自动正确选择与之对应的充电识别格式,包括 USB DCP BC1.2 、YD/T1591-2009、Apple 5W/10W/12W、Samsung 10W 在内的各种充电协议,从而最佳化充电速度。芯片内置两个输出控制通道,可满足两个 USB 端口的识别应用。芯片使用小巧的 SOT23-6 封装,高集成度无任何外部器件,系统简洁。

产品详情介绍

奥伟斯科技 oweis 专业代理LN4050/LN4051 USB识别IC



    LN4050/LN4051 Datasheet Download


LN4050: 

    双通道 USB DCP 充电端口识别控制芯片,可根据插入的终端自动正确选择与之对应的充电识别格式,包括 USB DCP BC1.2 、YD/T1591-2009、Apple 5W/10W/12W、Samsung 10W 在内的各种充电协议,从而最佳化充电速度。芯片内置两个输出控制通道,可满足两个 USB 端口的识别应用。芯片使用小巧的 SOT23-6 封装,高集成度无任何外部器件,系统简洁。 


QQ截图20161227183055.jpg


LN4051: 

    单通道 USB DCP 充电端口识别控制芯片,可根据插入的终端自动正确选择与之对应的充电识别格式,包括 USB DCP BC1.2 、YD/T1591-2009、Apple 5W/10W/12W、Samsung 10W 在内的各种充电协议,从而最佳化充电速度。芯片内置一个输出控制通道,可满足单个 USB 端口的识别应用。芯片使用小巧的 SOT23-6 封装,高集成度无任何外部器件,系统简洁。 

QQ截图20161227183242.jpg



主要特点

l  支持 USB DCP BC1.2 充电规范

n  D+/D- 短接模式

l  支持 YD/T 1591USB 充电标准

n  D+/D- 短接模式

l  支持 Apple 12W USB DCP标准

n  D+/D- 均施加 2.7V 模式

l  支持 Apple 10W USB DCP标准

n  D+ 施加 2.7V /D- 施加 2V 模式

l  支持 Apple 5W USB DCP标准

n  D+ 施加 2V /D- 施加 2.7V 模式

l  支持 Samsung USB DCP标准

n  D+/D- 均施加 1.2V 模式

l  接入设备后自动选择对应模式

l  支持两个或一个 USB 端口

n  LN4050:支持两个 USB 端口

n  LN4051:支持一个 USB 端口

l  低于 1mW 的极低电源消耗

l  使用小巧的 SOT23-6 封装形式

 

应用领域

l  通用 USB 充电器

l  通用移动电源

l  通用车载 USB 充电器

l  通用 USB 充电插座

 

概述

LN4050/LN4051 是 一 个 高 兼 容USB 充电识别控制器集成电路,专为USB 接口手机及移动终端等充电设备快速充电而设计,支持包括 USBDCPBC1.2格式、YDT1591-2009 格式、Apple USBDCP5W/10W/12W 格式、SamsungUSBDCP10W 在内的各种手机充电格式。可在设备连接至充电器时自动识别并将充电器配置到正确的充电格式状态,从而实现手机等终端与充电器的匹配充电,提高充电速度。

芯片内置自动检测监控电路,在终端设备与之相连后自动监控数据端口变化,并自动输出与之对应的正确的电气状态,从而支持不同的终端设备,得到最佳化的充电功率支持。

通过一个内置的电压选择矩阵,在USB 数据端子输出不同的电压,所输出的电压指标和等效阻抗特性均依据设备的要求,满足所连接的不同终端设备各自标准,从而得到最佳的兼容性。芯片内置电源管理电路可在4.3V到5.5V 的极宽的电压范围内工作,并具有带迟滞特性的 UVLO 功能,从而得到可靠的工作状态。

芯片工作时具有低至150uA的静态电流,仅需消耗不到 1mW 的功率。可提供满足ROHS标准要求的SOT23-6标准封装产品。

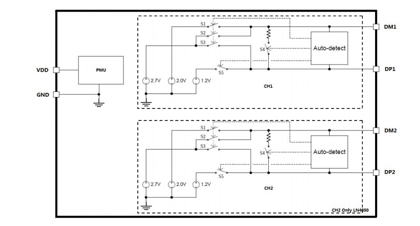
内部框图

QQ截图20161227184943.jpg

引脚定义

QQ截图20161227184952.jpg

时间:2016-12-27    来源:奥伟斯   

上一篇:LN5R12CA

下一篇:LN4053

关于我们
关于我们
组织架构
发展历程
资质证书
联系我们
产品中心
OWEIS
IKSemicon
TISemicon
ADSemicon
OPTOMEI
KODENSHI AUK
ICMAN晶尊微
GIANTEC聚辰
RAMXEED富士通
触摸芯片
MCU单片机
杭州中科微
Heroic禾润电子
电源管理芯片
天微显示驱动芯片
3PEAK运算放大器
聚洵运算放大器
润石运算放大器
巨华积体语音芯片
蓝牙WIFI方案开发
贴片发光二极管
华润微
集成电路
FOLLON贴片电解电容器
解决方案
充电器电源解决方案
适配器电源解决方案
智能电表电源解决方案
智能家电电源解决方案
金属触摸控制解决方案
触摸控制解决方案
触摸芯片设计指南
水位检测解决方案
汽车传感器解决方案
新闻中心
新品发布
公司新闻
市场动态
活动公告
媒体报道
资料下载
ROHS环保报告
公司介绍/产品目录
OWEIS电源芯片技术资料
OWEIS触摸芯片技术资料
OWEIS接口芯片技术资料
OWEIS场效应管技术资料
IKSemi技术资料
KODENSHI AUK资料
CORERIVER技术资料
ADS技术资料
万代技术资料
芯邦技术资料
启攀微技术资料
博晶微技术资料
海栎创技术资料
融和微技术资料
芯朋微技术资料
启臣微技术资料
美格纳技术资料
比亚迪技术资料
在线客服