次级侧同步整流控制器,耐压 120V,内置 TrueWave TM 实时波形跟踪技术,快速图腾柱驱动输出,最大输出电流高达 1A,支持 CCM/DCM/CrM/QR/PSR/LLC 等各种电源模式及架构,适用开关频率高达 200kHz,供电方式灵活且可直接使用 5V 进行供电,小巧的 SOT23-5 封装,是低电压高电流输出的 6 级能效开关电源应用的极佳选择。
产品详情介绍
奥伟斯科技专业力生美IC代理
LN5S03同步整流控制器代理

主要特点
l 内置 TrueWaveTM 实时波形追踪技术
l 支持开关电源 CCM/CrM/DCM 模式
l 高电流超快速图腾柱输出驱动电路
l 输出峰值驱动电流能力高达 1A
l 极宽的工作电压范围 4.5V 至 40V
l 可 5V 直接供电或由辅助绕组供电
l 内置高压隔离开关耐压高达 120V
l 配合 LowRdsON MOS 构建理想二极管
l 无开关时静态工作电流可低至 0.2mA
l 支持开关电源频率最高至 200kHz
l 至简外围最低仅有 1 颗 MOS 开关
l 占板面积极小的 SOT23-5 封装形式
应用领域
高能效电源适配器
多口 USB 充电器
低压大电流开关电源
概述
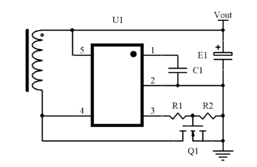
LN5S03 是一颗高性能的开关电源次级侧同步整流控制器集成电路,可以方便地在应用中构建满足CoC V5 及 DoE2016 等 6 级能效的低电压大电流开关电源系统,是理想的超低导通压降整流器件解决方案。芯片内置了独特的 TrueWaveTM 全时波形追踪技术,可支持高达 200kHz 的开关频率应用,并且支持 CCM/CrM/DCM 等各种开关电源工作模式应用,可在开关电源的每一个波形转换的边沿自动快速打开或关闭外部的 LowRdsON MOSFET 器件,利用其极低的导通压降实现远小于诸如肖特基二极管的导通损耗,极大提高了系统的转换效率,大幅降低了整流器件的温度,可方便地实现低压大电流的开关电源应用。
高集成度的电路设计使得芯片外围电路极其简单,在 5V 输出直接供电的应用中,只需搭配 1 颗MOSFET 即可构建一个完整的开关电源输出同步整流应用。
可提供满足 RoHs 要求的标准 SOT23-5 封装。
Copyright © 2013 深圳市奥伟斯科技有限公司版权所有 All Right Reserved ICP备:粤ICP备12049165号