次级侧同步整流控制器,耐压 160V,内置 TrueWave TM 实时波形跟踪技术,快速图腾柱驱动输出,最大输出电流高达 1.5A,支持 DCM/CrM/QR/PSR/LLC 等各种非连续式电源模式及架构,适用开关频率高达 200kHz,SOP8 封装,是低电压高电流输出的 6 级能效开关电源应用的极佳选择。
产品详情介绍
奥伟斯科技专业代理力生美电源管理IC

主要特点
l 内置 TrueWaveTM 实时波形追踪技术
l 高电流超快速图腾柱输出驱动电路
l 输出峰值驱动电流能力高达 1.5A
l 极宽的工作电压范围 5V 至 25V
l 可 5V 直接供电或由辅助绕组供电
l 辅助绕组供电时可连接于正输出端
l 内置高压检测技术耐压高达 160V
l 配合 LowRdsON MOS 构建理想二极管
l 无负载时静态工作电流可低至 1mA
l 开关电源 DCM/QR/LLC 多模式支持
l 支持开关电源频率最高至 250kHz
l 开关电源轻载与空载开关自适应
l 至简架构最低仅需 3 颗外部电阻器件
l 采用标准的 SOP8 封装形式
应用领域
l 高能效电源适配器
l 多口 USB 充电器
l 低压大电流开关电源
概述
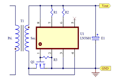
LN5S01 是一颗高性能的开关电源次级侧同步整流控制器集成电路,可以方便地在应用中构建满足CoC V5 及 DoE2016 等 6 级能效的低电压大电流开关电源系统,是理想的超低导通压降整流器件解决方案。芯片内置了独特的 TrueWaveTM 全时波形追踪技术,可在开关电源的每一个波形转换的边沿自动快速打开或关闭外部的 LowRdsON MOSFET 器件,利用其极低的导通压降实现远小于诸如肖特基二极管的导通损耗,极大提高了系统的转换效率,大幅降低了整流器件的温度,可方便地实现低压大电流的开关电源应用。
带电压钳位的大电流图腾柱驱动输出可直接用于驱动外部的 MOSFET 器件,最高可达 1.5A 的峰值电流驱动能力可确保快速开通和关断外部的大电流 MOSFET 器件,获得优异的转换效能。
芯片还内置了高压直接检测技术,检测端子耐压高达 160V,配合高达 25V 的供电电压范围,使得控制器可直接使用高至 15V 的输出电压整流应用中,极大拓展了可使用范围。
智能波形跟踪与分析技术的采用,使得控制器可很好地工作在包括 DCM/QR/PSR 的反激式、或者是LLC 等多种开关电源架构中,允许使用的开关电源切换频率更可高达 250kHz
高集成度的电路设计使得芯片外围电路极其简单,在典型的 5V 输出应用中最低只需 4 颗外部器件即可构建一个完整的开关电源输出整流应用。
可提供满足 RoHs 要求的标准 SOP8 封装。

Copyright © 2013 深圳市奥伟斯科技有限公司版权所有 All Right Reserved ICP备:粤ICP备12049165号