产品详情介绍
| CP2166-六通道、一线脉冲计数调光、1 倍和1.5 倍自适应切换 共阳并联 LED 驱动器 |
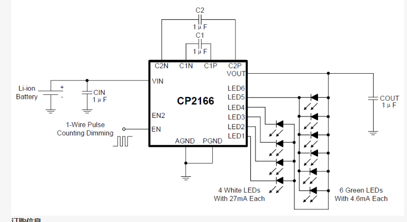
| CP2166是一款共阳极1倍/1.5倍自适应电荷泵型LED驱动器。它允许较宽的电源电压范围,特别适合于锂电池供电设备。CP2166通过内部电阻设置LED电流,每通道的电流可高达27mA。CP2166可根据电源电压和负载的情况,在两种工作模式间自适应切换,提高了工作效率。同时采用了独有的电流自动镜像技术,使LED的电流匹配度不随LED的导通压降差而变化。CP2166采用一线脉冲计数调光方式,LED亮度分32步对数可调。CP2166只需两个1μF的输入输出电容和两个1μF的电荷泵电容。优越的电路控制特性保证了低的电源冲击电流和EMI。CP2166 关机电流小于0.1μA。 |
- 驱动多达6个LED,每个LED最大电流:27mA
- 电流匹配精度:3% (典型值)
- Auto-Mirror技术确保在各并联白光LED导通压差较大的情况下较好的电流匹配度
- 工作模式可根据输入电压和负载情况,自适应切换,使效率高达90%以上
- 采用一线脉冲计数调光方式,LED亮度分32 步对数可调
- 支持主副屏应用(EN2内置下拉电阻,当EN2为低时D1~D6工作;当EN2为高时,D1~D4关闭,D5、D6工作)
- 低输入电流波动和低EMI
- 无需外围电感
- 开关频率:1MHz
- 过流保护、过热保护和过压保护
- 工作电压范围:2.7V~5.5V
- 纤小的3mm×3mm QFN-16L封装
- 关机电流Icc<0.1μA
- 符合RoHS 标准,100%无铅
- 手机、数码相机
- MP3播放器、PMP
- PDA、数码相框



OWEIS TECH Co., LTD. 启攀微电子CHIPHOMER一级代理
深圳市奥伟斯科技有限公司 启攀微电子CHIPHOMER一级代理
启攀微触摸芯片代理
启攀微触摸按键芯片代理
启攀微触摸控制芯片代理
一、充电OVP
1.CP3206(芯片耐压超高至30V)
充电保护芯片,过压,过流,锂电池过压保护,6.8V过压保护 DNF2*2 8L APL3206
2.CP3216 自适应,兼容CP3206和3208 NOKIA充电器.
CP3216DN-A1是专门针对类似于Nokia的非稳压线性充电器开发的一款充电保护芯片,适用于MTK6253 6238 6239 6235平台,
相对CP3206DN-A1,芯片内部增加了LDO工作模式,兼容BP24350及BP24352,同时也向下兼容现有的CP3206 CP3216DN-A1支持高达30V的输入耐压,OVP过压保护门限典型值为10V
当输入电压超过10V低于30V时,CP3216DN-A1关闭外部输入进入保护状态
当输入电压超过6.8V低于10V时,CP3216DN-A1工作在LDO模式,输出5.2V保证正常的充电
当输入电压低于6.8V时,CP3216DN-A1工作在开关模式,同CP3206DN-A1一致
二、音乐功放系列
提供用于手持式设备(包括手机、 MP3 、 PMP、电子词典 等)的音频功放产品。音频功放产品包括AB 类、D类的全差分及非差分类型,它们具有很高的PSRR,片内集成咔嗒声与噼啪声抑制电路,宽广的工作电压范围、极低的关断电流和纤小的封装。
1.CP2230 类D类(G类) 恒定2W,单声道,高效率,高品质,高输出功率,IPM智能电源管理系统 (PIN TO PIN MAX9730) QFN-28
2.CP2217 D类 3W,单声道,自增益管理(PIN TO PIN YDA145) CSP9/DFN8
3.CP2216 D类 3W,单声道,自增益管理(PIN TO PIN TI2010) CSP9/DFN8
4.CP2210 D类 3W,单声道,无需滤波器(PIN TO PIN TI2010)CSP9/DFN8
5.CP2212 D类 3W/ch 、立体声、无需滤波器、D类音频功率放大器(PIN TO PIN
TPA2012,LM4674)CSP9,DFN8
6.CP2295 AB类 1.7W,单声道,无须BYPASS电容,全差分音频功放(PIN TO PIN
TI2010对于已经设计2010功放的板子无法解决FM干扰的,直接用CP2295替换,无须改板)CSP9
7.CP2290 AB类 3W,单声道,音频功放(PIN TO PIN LM4990ITL)
8.CP2296 AB类 3.1W,单声道,内置反馈电阻,全差分音频功放 CSP9,MSOP8,DFN8
9.CP2203 AB类 1.25W 、单声道、全差分音频功率放大器(PIN TO PIN TPA6203A1, TPA6201, TPA6205
)CSP8, MSOP8
10.CP2261 AB类 2.8W/ch 、立体声、内置反馈电阻、全差分音频功率放大器 QFN16
11.CP2262 D类(推荐**) 双音圈喇叭音频功放QFN16 Power output at 5.0V, 10%THD, 8Ω/coil 2.6 W
(typ)
12.CP2266 D类(推荐**) 三音圈喇叭音频功放QFN32 Power output at 5.0V, 1%THD, 6Ω/coil 5.4 W
(typ) Power output at 5.0V, 10%THD, 6Ω/coil 6.3 W (typ)
13.CP2235 D类(强力推荐****************) 10W 大功率音频功放,输入宽电压
三、背光驱动系列
提供用于手持式设备(包括手机, MP3 , PMP 等)背光 LED 驱动器产品。背光 LED 驱动器产品包括无电感的电荷泵型白光 LED 驱动器(并联 LED )、电感型白光 LED 驱动器(串联 LED )以及恒流源型白光LED驱动器,它们都具有高效率、低噪音、小型封装等特点。
1.CP2128 电荷泵型 低噪声、恒压电荷泵型2倍并联白光LED驱动器,可做闪光灯IC,或需要直接升5V的DC-DC SOT23-6L
AAT3110,AT1310,LTC3200,CAT3200,RT9361,REG710,TCA62753FUG,YB1300
2.CP2133 电荷泵型 4路1倍/1.5倍电荷泵型双模高效率并联白光LED驱动器 QFN16L FAN5616,YB1313,TPS60230
3.CP2136(强力推荐**) 电荷泵型 一线脉冲计数调光、6路1X/2X自适应电荷泵型LED驱动器(对于大屏使用5,6路LED都可以使用,性价比高) QFN16L
4.CP2166 6路背光
5.CP2148 八路低压降恒流型并联,驱动8 路LED,每路LED 最大电流:25mA 采用一线脉冲计数调光方式,LED 电流分16 步对数可调
以下为10.0~60.0寸屏背光
6.CP2123 BOOST PWM调光 最多60个LED,单串10LED 应用于中大屏LCD背光升压型白光LED驱动器 SOT23-5L & DFN8L2X2
7.CP2124 BOOST 一线调光 最多60个LED,单串10LED 应用于中大屏LCD背光升压型白光LED驱动器 SOT23-5L & DFN8L2X2
8.CP2120 BOOST PWM调光 单串10LED,比CP2123更节省空间和成本 TSOT-23
9.CP2188 BOOST+恒流 80个LED 应用于中大屏LCD背光升压型白光LED驱动器 MP3388
四、电阻式触摸屏控制器系列
1.CP2056 SPI 超低功耗、内置参考电压源、四线触摸屏控制器,压力检测(防止飞笔) TSSOP16,QFN16 TSC2046, AK4182A,
MT6301, AR7643, ADS7843, ADS7846, UH7843, XPT2046, ET2046Y
2.CP2007(强力推荐**) I2C I2C接口四线触摸屏控制器 TSSOP16,WCSP12 (PIN TO PIN TSC2007)
功能兼容AK4183
五、电容式触摸控制IC(带有背光驱动,蜂鸣,滑动检测功能,工作电压2.8-5.5V)
1.CP2532 SPI/IIC 12通道 多功能、宽工作电压范围、12键电容性触摸检测芯片 LQFP44, QFN40
2.CP2528 SPI/IIC 8通道 多功能、宽工作电压范围、8键电容性触摸检测芯片 LQFP32,QFN32
3.CP2526 6通道 多功能、宽工作电压范围、6键电容性触摸检测芯片 SOP28 QFN32
4.CP2524 4通道 多功能、宽工作电压范围、4键电容性触摸检测芯片 SOP24 QFN
5.CP2682 8通道 防水,抗电磁干扰 SSOP-24,SOP24,QFN
6.CP2688 8通道 SOC芯片 可编程
7.最新推出CP2681 单点触摸IC a触摸控制触 b摸开关功能,可以用于各类型单键触摸产品
六. 最新产品CP2701(USB接口IC)
目前在欧洲要求的5PIN USB接口上实现充电,数据传输以及耳机一体话可以使用该产品
特点:1.内置了充电保护功能
2.支持USB2.0
3.QFN20 3X3mm超小封装,焊点少,节约面积
4.支持UART
CP2701实现手机、MID等设备通过唯一的Micro-USB接口进行充电、USB通信,UART端口程序下载,以及带有Microphone, 线控耳机或者喇叭的连接
CP2701可以自动识别充电器类型,设置相应的充电电流,并且可以提
供到达28V的过压保护
CP2701内置5Bit的ADC模块,自动识别外设类型,基带芯片通过IIC接
口控制芯片内部的模拟开关继续信号的选择
七. 移动电源 三合一 芯片
CP4050, 硬件模式,放电1A, 充电2A.
效率83%以上,支持4路指示灯25,50,75,100%
移动电源 二合一 芯片
CP4048 省4050指示灯功能
CP2524SP-A1 Chiphomer 4键触摸按键IC SOP24
CP2526SP28-A1 Chiphomer 6键触摸按键IC SOP28
CP2528LQ32B Chiphomer 8键触摸按键IC QFN32
CP2528LP32B Chiphomer 8键触摸按键IC LQFP-32
CP2532LQ40B
Chiphomer 12键触摸按键IC QFN40
CP2532LP48B
Chiphomer 12键触摸按键IC LQFP48
CP2681-A1 Chiphomer 1键触摸按键IC SOT23-6
CP2681-B1 Chiphomer 1键触摸按键IC SOT23-6
CP2680SP8-A1 Chiphomer 2键触摸按键IC SOP8
CP2680SP14-A1 Chiphomer 4键触摸按键IC SOP14
CP2682SS24-A1 Chiphomer 8键触摸按键IC SSOP24
CP2682QN24-A1 Chiphomer 8键触摸按键IC QFN24
CP2682SP24-A1 Chiphomer 8键触摸按键IC SOP24
CP2308STCF Chiphomer 启攀微LDO代理 SOT23-6
CP2123ST-A2 Chiphomer 启攀微背光IC一级代理 SOT23-6
CP2123ST-A1 Chiphomer 启攀微背光IC一级代理 SOT23-6
CP2124 Chiphomer 启攀微背光IC一级代理 SOT23-6
CP2128 Chiphomer 启攀微背光IC一级代理 SOT23-6
CP2136QN-A3 Chiphomer 启攀微LED驱动器 QFN16
CP2148 Chiphomer 启攀微LED驱动器 QFN16
CP2166QN-A1 Chiphomer 启攀微六路共阳极电荷泵型LED驱动器 QFN16
CP2122ST-B1 Chiphomer 启攀微升压型白光LED驱动器 SOT23-5
CP2130 Chiphomer 启攀微LED驱动芯片一级代理 QFN16
CP2130G Chiphomer 启攀微LED驱动芯片一级代理 QFN16
CP2139ST Chiphomer 启攀微背光IC一级代理 SOT23-6
CP2140MM Chiphomer 启攀微背光IC一级代理 MSOP-8
CP2141ST Chiphomer 启攀微背光IC一级代理 SOT23-6
CP2142MM Chiphomer 启攀微背光IC一级代理 MSOP-8
CP2143ST Chiphomer 启攀微背光IC一级代理 SOT23-6
CP2144 Chiphomer 启攀微背光IC一级代理
CP2145MM-A1 Chiphomer 启攀微背光IC一级代理 MSOP-8
CP2188QN-A1 Chiphomer 启攀微升压型白光LED驱动器 QFN-24
产品均为环保正品,原厂进货,一手货源,价格优惠!质量可靠!常备现货!
深圳市奥伟斯科技有限公司
OWEIS TECH Co., LTD.
联系人:蔡先生 13751188660 QQ: 6678331
蔡经理 13751186100 QQ: 6638340
电话:0755-83221770 83254770
传真:0755-83254770
地址:深圳市福田区振中路中航苑鼎诚国际大厦611室
E-mali:OWEIS88@163.com
MSN:OWEIS_IC@163.com
www.oweis-tech.com
www.oweis-tech.cn
上一篇:CP2181CQ8-A1
下一篇:CP2156QN-A1
Copyright © 2013 深圳市奥伟斯科技有限公司版权所有 All Right Reserved ICP备:粤ICP备12049165号