产品详情介绍
| CP2181-可支持高达108颗白光LED的升压型背光驱动,支持10寸屏幕 |
| CP2181 是一款特别为白光 LED 驱动而设计的升压型 DC/DC 转换器。CP2181 采用高达500KHz 的工作频率,允许采用小巧的外部电感和电容元件。LED 采用串联的连接形式,这样保证流过每个 LED 的电流相同,从而可以获得一致的亮度。200mV 的反馈电压使得在电流设定电阻上消耗的功率很小,尽可能的优化了在白光 LED 驱动应用时的效率。CP2181 的开关管的峰值电流可达 4A,并且可承受高达 40V 的电压。 在单节锂离子电池供电情况下,CP2181可驱动最多达 108 颗 LED,非常适合于中大 LCD 屏背光应用。CP2181 内置软启动功能,限制启动时的浪涌电流。CP2181 内置过流和过热保护,增强了应用的安全性。CP2181 为 PWM调光,CP2181 采用散热能力出众的 QFN33-16L 封装和 FCQFN 2x2-8L 封装。 |
- 单节锂离子电池可驱动 15 串,每串 7 颗 LED
- 单节锂离子电池可驱动 18 串,每串 6 颗 LED
- 内置软启动功能,限制启动时浪涌电流
- 500KHz 开关频率,PWM 调光
- PWM 调光频率支持高达 1MHz,频率 20kHz 以上 PWM 调光无电容交流声
- 较小 EMI
- 200mV 反馈电压
- 内置过流保护,过热保护
- 内置过压保护(30V)
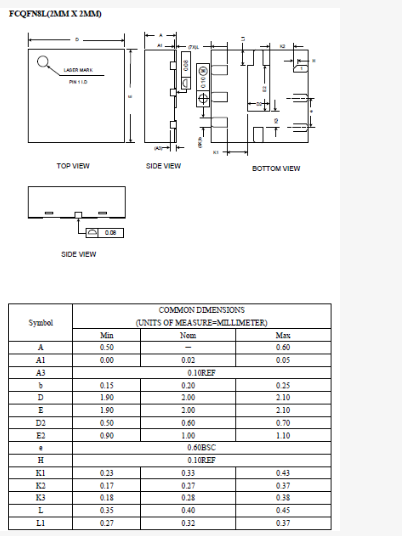
- 采用 QFN33-16L 封装和 FCQFN 2x2-8L 封装
- LED 背光
- LED 照明



时间:2017-04-10 来源:奥伟斯
上一篇:CP2181QN-A1
下一篇:CP2166QN-A1
Copyright © 2013 深圳市奥伟斯科技有限公司版权所有 All Right Reserved ICP备:粤ICP备12049165号