产品详情介绍
SC05A 是带自校正的容性触摸感应器,可以检测5 个感应盘是否被触摸。它可以通过任何非导电介质(如
玻璃和塑料)来感应电容变化。这种电容感应的开关可以应用在很多电子产品上,提高产品的附加值。
5 个完全独立的触摸感应按键
保持自动校正,无需外部干预
按键输出经过完全消抖处理
多接口 – I2C 串行接口 / 并行一对一输出
所有按键共用一个灵敏度电容
感应线长度不同不会导致灵敏度不同
2.5V ~ 6.0V 工作电压
符合RoHS 指令的环保SOP16 封装
替代机械开关
家庭应用(电视机, 显示器键盘)
玩具和互动游戏的人机接口
门禁按键
灯控开关
密封键盘面板
SC05A封装简图

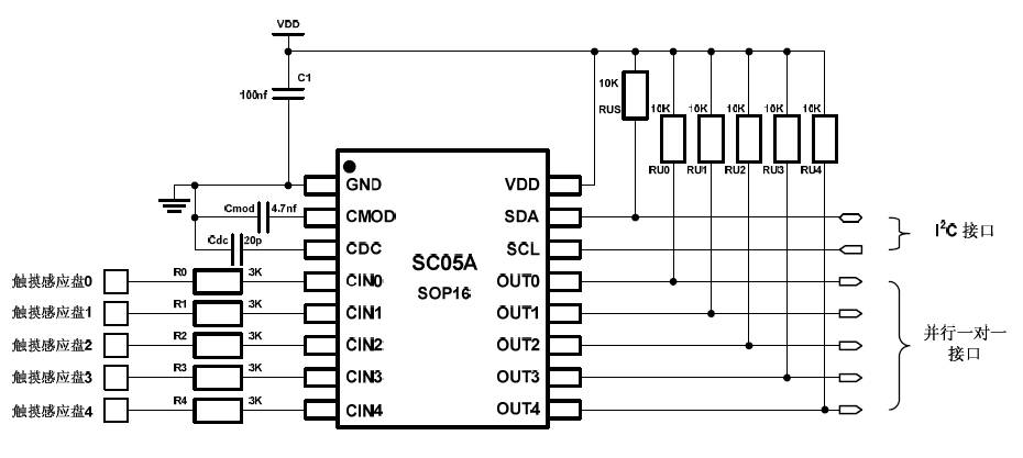
电源正负输入端。
电荷收集电容输入端,接固定值的电容,和灵敏度无关。
接灵敏度电容,电容范围是最小15pf ,最大100pf。根据使用环境选择合适的电容值,数值越小,灵
敏度越高。
接感应盘,是感应电容的输入检测端口。
并行一对一输出端口,分别对应CIN0~CIN4。 端口内部结构为NMOS开漏输出,输出高阻或低电平,
有效电平是低电平。
SCL 是I2C时钟输入端口。SDA是I2C数据输入输出端口。 SDA 端口有内部弱上拉。
上电复位后,芯片需要300ms进行初始化,计算感应管脚的环境电容,然后才能正常工作。
灵敏度由CDC端口接的电容值决定。数值越小,灵敏度越高。
根据外部环境温度和湿度等的漂移,芯片会一直调整每个按键的电容基准参考值。从检测到按键开始,芯
片会停止校正一段时间,这段时间大约15~50秒。然后芯片会继续自校正,也就是说检测按键有效的时间不会
超过15~50秒。
每个通道大约每隔12.5ms采样一次。经过按键消抖处理以后,检测到按键按下的反应时间大概是68毫秒,
检测按键离开的反应时间大概是44毫秒。所以检测按键的最快频率大概是每秒9次。
输出端口OUT0~OUT4,有两种状态,高阻或低电平。无按键时为高阻,检测到按键时为低电平。
如果在一段时间内(Tslp)没有检测到按键并且SDA端口一直保持高电平,芯片会自动进入省电模式。只
要让SDA保持高电平时间不超过Tslp,芯片就不会进入睡眠模式。在睡眠模式中,按键的采样间隔会变长,电
流消耗(Idd)会减小。如果检测到按键,芯片会马上离开睡眠模式,进入正常模式。
睡眠模式
Ts 大约是固定的950us左右。
正常模式下,采样间隔Tsin 是固定的大约12.5毫秒。
睡眠模式下,采样间隔Tsis和电流消耗Idds是与Vdd和Trp (电源上电时间)有关的。

SC05A应用电路
深圳市奥伟斯科技有限公司专业代理晶尊微触摸感应芯片,原厂授权一级代理品质保证,价格优势博晶微ST系列触摸IC/SC系列触摸IC可以通过任何非导电介质感应到手靠近按键时电容的变化,从而判断开与开,这样的按键可以密封与水和灰尘隔离.ST系列触摸IC/SC系列触摸IC可以工作在低功耗的环境下,当电源为5V时耗电流200UA.
NT01A(单通道触摸IC)
ST01T(单通道触摸IC)
ST01(单通道触摸IC)
SC01B(单通道触摸IC)
SC02A(双通道触摸IC)
SC02B(双通道触摸IC)
SC04A(四通道触摸IC)
SC04B(四通道触摸IC
SC05A(五通道触摸IC)
SC05B(五通道触摸IC)
SC09A(九通道触摸IC)
SC09B(九通道触摸IC)
SC12A(十二通道触摸IC)
SC12B(十二通道触摸IC)
MC802(双通道触摸IC)
MC804(四通道触摸IC)
Leven Cai 蔡明柱
MOB : 13751188660 (微信同号)
深圳市奥伟斯科技有限公司
OWEIS ELECTRONICS Co., LIMITED.
总部:深圳市福田区深南中路3006号佳和华强大厦A座7楼
佛山分公司:佛山市顺德区北滘镇深业路深业城49栋2801室
香港分公司:香港新界沙田火炭坳背湾街45-47号喜利佳工业大厦13楼F室
TEL : +86-755-82544779 FAX : +86-755-23805907
www.oweis-tech.com E-Mail : leven@oweis-tech.com
专业代理销售产品:电容式触摸芯片 电源管理芯片 显示驱动芯片 马达驱动芯片 音频功放芯片 运算放大器 单片机 MOS管 贴片电解电容 贴片电阻 二极管 三极管 红外线接收头 光电开关
专业代理销售品牌:ADSEMI IKSEMI TISEMI AUK FOSAN/富信 FOLLON/富隆 ICMAN/晶尊微 Chipsbank/芯邦 RUNIC/润石 Gainsil/聚洵 3PEAK/思瑞浦 杭州中科微 HEROIC/禾润
Copyright © 2013 深圳市奥伟斯科技有限公司版权所有 All Right Reserved ICP备:粤ICP备12049165号