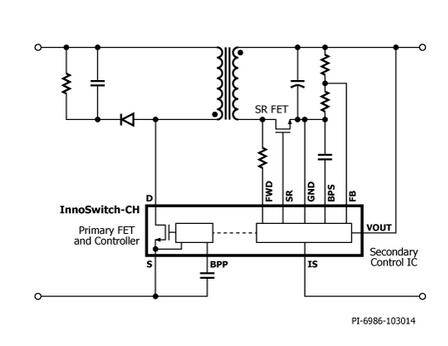
InnoSwitch™-CH系列IC将初级、次级和反馈电路同时集成到一个表面贴装离线式反激开关IC中。InnoSwitch-CH IC集成了初级FET、初级侧控制器和次级侧同步整流控制器。这款新IC还采用了一项创新型技术FluxLink™,该技术可安全地越过隔离层并省去光耦器。次级侧控制器的集成可实现无击穿的同步整流FET驱动,同时提供快速瞬态响应,从而超越包括欧盟行为准则第5版和DoE第6版法规在内的所有国际能效标准。
产品详情介绍

集成了反激式控制器、650 V MOSFET、
次级侧检测和同步整流
带HIPOT隔离保护的集成反馈链路
出色的CV/CC精度,不受变压器设计或外围元件的影响
即时瞬态响应±5% CV,0-100-0%负载阶跃
在230 VAC下空载功耗<10 mW,带可选偏置绕组
轻松满足全球所有能效标准,包括DOE 6/CoC v5
低散热
初级检测过压保护(OVP),带可选偏置绕组
次级检测输出过冲箝位
次级检测输出过流保护(OCP),输出电压降至零
迟滞热关断保护
在6 kV DC/1秒条件下通过100%生产HIPOT合规性测试
加强绝缘
隔离电压 = 3,500 VAC,通过UL1577和TUV (EN60950)安全认证,符合EN61000-4-8 (100 A/m)和EN61000-4-9 (1000 A/m)标准
无卤素和符合RoHS
适用于智能移动设备的充电器和适配器
LED照明
高效率、低电压、高电流电源
Copyright © 2013 深圳市奥伟斯科技有限公司版权所有 All Right Reserved ICP备:粤ICP备12049165号