产品中心

24小时服务热线 0755-82544779

  • INN2023K
  • INN2023K

INN2023K

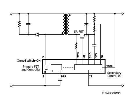
InnoSwitch™-CH系列IC将初级、次级和反馈电路同时集成到一个表面贴装离线式反激开关IC中。

产品详情介绍

nnoSwitch-CH系列IC将初级、次级和反馈电路同时集成到一个表面贴装离线式反激开关IC中。InnoSwitch-CH IC集成了初级FET、初级侧控制器和次级侧同步整流控制器。这款新IC还采用了一项创新型技术FluxLink,该技术可安全地越过隔离层并省去光耦器。次级侧控制器的集成可实现无击穿的同步整流FET驱动,同时提供快速瞬态响应,从而超越包括欧盟行为准则第5版和DoE第6版法规在内的所有国际能效标准。

奥伟斯科技PI电源管理IC 一级代理,优势供应INN2023K InnoSwitch-CH,联系电话:0755-82807069

产品特色

高度集成,外形紧凑

  • 集成了反激式控制器、650 V MOSFET、
    次级侧检测和同步整流

  • 带HIPOT隔离保护的集成反馈链路

  • 出色的CV/CC精度,不受变压器设计或外围元件的影响

  • 即时瞬态响应±5% CV,0-100-0%负载阶跃

EcoSmart – 高效节能

  • 在230 VAC下空载功耗<10 mW,带可选偏置绕组

  • 轻松满足全球所有能效标准,包括DOE 6/CoC v5

  • 低散热

先进的保护/安全特性

  • 初级检测过压保护(OVP),带可选偏置绕组

  • 次级检测输出过冲箝位

  • 次级检测输出过流保护(OCP),输出电压降至零

  • 迟滞热关断保护

完全符合安全及法规要求

  • 在6 kV DC/1秒条件下通过100%生产HIPOT合规性测试

  • 加强绝缘

  • 隔离电压 = 3,500 VAC,通过UL1577和TUV (EN60950)安全认证,符合EN61000-4-8 (100 A/m)和EN61000-4-9 (1000 A/m)标准

绿色封装

  • 无卤素和符合RoHS

应用

  • 适用于智能移动设备的充电器和适配器

  • LED照明

  • 高效率、低电压、高电流电源

输出功率(瓦特)
产品3




230 VAC ±15%85-265 VAC
适配器1峰值或
敞开式
2
适配器1峰值或
敞开式
2

INN20x3K12 W15 W12 W15 W
INN20x4K15 W20 W15 W20 W
INN20x5K20 W25 W20 W25 W


时间:2017-01-10    来源:奥伟斯   

上一篇:INN2003K

下一篇:INN2004K

关于我们
关于我们
组织架构
发展历程
资质证书
联系我们
产品中心
OWEIS
IKSemicon
TISemicon
ADSemicon
OPTOMEI
KODENSHI AUK
ICMAN晶尊微
GIANTEC聚辰
RAMXEED富士通
触摸芯片
MCU单片机
杭州中科微
Heroic禾润电子
电源管理芯片
天微显示驱动芯片
3PEAK运算放大器
聚洵运算放大器
润石运算放大器
巨华积体语音芯片
蓝牙WIFI方案开发
贴片发光二极管
华润微
集成电路
FOLLON贴片电解电容器
解决方案
充电器电源解决方案
适配器电源解决方案
智能电表电源解决方案
智能家电电源解决方案
金属触摸控制解决方案
触摸控制解决方案
触摸芯片设计指南
水位检测解决方案
汽车传感器解决方案
新闻中心
新品发布
公司新闻
市场动态
活动公告
媒体报道
资料下载
ROHS环保报告
公司介绍/产品目录
OWEIS电源芯片技术资料
OWEIS触摸芯片技术资料
OWEIS接口芯片技术资料
OWEIS场效应管技术资料
IKSemi技术资料
KODENSHI AUK资料
CORERIVER技术资料
ADS技术资料
万代技术资料
芯邦技术资料
启攀微技术资料
博晶微技术资料
海栎创技术资料
融和微技术资料
芯朋微技术资料
启臣微技术资料
美格纳技术资料
比亚迪技术资料
在线客服