TS01S(B) ADS超高灵敏度接近感应芯片,
Application优势
1. 防止安全事故,不需要用安全网,所以风量更大的效果.
2. 人接触到电风扇的时候停止,使用的更安全
产品详情介绍
TS01S(B) ADS超高灵敏度接近感应芯片
TS01S(B)一般特性
具有差分灵敏度校准的1通道电容式触摸传感器
低功耗
均匀可调灵敏度
用于并行操作的同步功能
三级灵敏度,无需外部组件
开漏数字输出
内部上电复位
嵌入式常用噪声消除电路
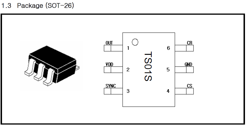
符合RoHS标准的SOT-26封装
TS01S(B)应用
家电
移动应用程序(PMP,导航,MP3等)
薄膜开关更换
人机界面的玩具和互动游戏
密封控制面板,键盘
TS01S(B)优势
2. 1. 防止安全事故,不需要用安全网,所以风量更大的效果.
2. 2. 人接触到电风扇的时候停止,使用的更安全
TS01S(B)的特性
3. 1. Features
ü8-bit Turbo 80C51 Architecture
üSmall size
üDigital output, I2C Interface
üProximity Channel : 1 ~ 4 Channel
üLow Power consumption
üWide-range voltage support(1.8V~5.5V)
üRoHS compliant package
3. 2. Specification
ü8-bit Turbo 80C51 Architecture(4 clock cylcle/1 machine cycle)
üProximity Channel : 1 ~ 4 Channel
üOutput – DAC, Parallel, I2C Interface support.
üWide-range voltage support(1.8V~5.5V)
üRoHS compliant package
üEmbedded common and normal noise elimination circuit
üOperation Temp : 5℃ ~ 70℃
üStorage Temp : 0 ℃ ~ 85 ℃
üH.B.M : 8KV M.M : 500V C.D.M 800V
üDemension & Pin Map – Unsettled
üSensitivity – Unsettled
üCase quality of the material & color – Unsettled
üHarness Specification – Unsettled
üMold quality of the material - Unsettled
TS01S(B)实现
开机电风扇

手靠近运转中的电风扇时LED灯亮

越靠近的时候LED亮灯越多

手接触到电风扇的时候停止电风扇

手远离电风扇的时候LED灯灭,风扇动作


TS01S(B)原理图

上一篇:ATSL01
下一篇:TH01 电容式霍尔传感器芯片
Copyright © 2013 深圳市奥伟斯科技有限公司版权所有 All Right Reserved ICP备:粤ICP备12049165号