产品详情介绍
| CP2128-低噪声电荷泵型DC/DC转换器 |
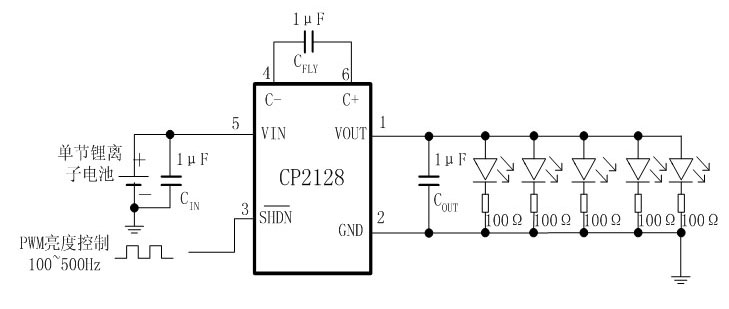
CP2128是一种无电感的电荷泵型DC/DC转换器。它可以产生稳定的5V电压输出。CP2128是专门为低噪声和高效率的应用而设计的,输出最大电流可达100mA。CP2128采用恒定频率的电荷泵方式工作,开关频率为2MHz,可避免与敏感的IF频段相互干扰。CP2128只需要3个体积小陶瓷的电容(一个电荷泵电容和VIN端、VOUT端的旁路电容),这使得CP2128非常适合于体积小、电池供电的应用场合。 由于CP2128的工作开关频率比较高,这样即便使用较小的陶瓷电容也可以获得比较低的输入电压纹波和输出电压纹波。CP2128内置过热检测电路,即使VOUT端持续短路到地,也不会损坏芯片。在芯片上电期间,有内置的软启动电路可以避免产生较大的冲击电流。CP2128具备关机模式,在关机模式下,芯片消耗的静态电流<1μA。 CP2128采用SOT23-6L封装,主要用于驱动并联背光,手机闪光灯,USB-OTG等应用场合。 |
- 无电感、电荷泵型DC/DC转换器
- 电压输出精度:5V±4%
- 最大100mA的输出电流
- 过热保护功能
- 2MHz的开关频率(typ)
- 具备软启动电路
- 关机电流小于1μA
- VIN电压范围:2.7V-4.5V
- 采用扁平的SOT23-6L封装
- 符合RoHS标准,100%无铅封装
- 手机并联背光
- 手机闪光灯
- USB OTG应用
- HDMI 5V电源
- 数码相机
- MP3 播放器
- 智能卡读卡器
- PCMCIA自给5V电源




OWEIS TECH Co., LTD. 启攀微电子CHIPHOMER一级代理
深圳市奥伟斯科技有限公司 启攀微电子CHIPHOMER一级代理
启攀微触摸芯片代理
启攀微触摸按键芯片代理
启攀微触摸控制芯片代理
一、充电OVP
1.CP3206(芯片耐压超高至30V)
充电保护芯片,过压,过流,锂电池过压保护,6.8V过压保护 DNF2*2 8L APL3206
2.CP3216 自适应,兼容CP3206和3208 NOKIA充电器.
CP3216DN-A1是专门针对类似于Nokia的非稳压线性充电器开发的一款充电保护芯片,适用于MTK6253 6238 6239 6235平台,
相对CP3206DN-A1,芯片内部增加了LDO工作模式,兼容BP24350及BP24352,同时也向下兼容现有的CP3206 CP3216DN-A1支持高达30V的输入耐压,OVP过压保护门限典型值为10V
当输入电压超过10V低于30V时,CP3216DN-A1关闭外部输入进入保护状态
当输入电压超过6.8V低于10V时,CP3216DN-A1工作在LDO模式,输出5.2V保证正常的充电
当输入电压低于6.8V时,CP3216DN-A1工作在开关模式,同CP3206DN-A1一致
二、音乐功放系列
提供用于手持式设备(包括手机、 MP3 、 PMP、电子词典 等)的音频功放产品。音频功放产品包括AB 类、D类的全差分及非差分类型,它们具有很高的PSRR,片内集成咔嗒声与噼啪声抑制电路,宽广的工作电压范围、极低的关断电流和纤小的封装。
1.CP2230 类D类(G类) 恒定2W,单声道,高效率,高品质,高输出功率,IPM智能电源管理系统 (PIN TO PIN MAX9730) QFN-28
2.CP2217 D类 3W,单声道,自增益管理(PIN TO PIN YDA145) CSP9/DFN8
3.CP2216 D类 3W,单声道,自增益管理(PIN TO PIN TI2010) CSP9/DFN8
4.CP2210 D类 3W,单声道,无需滤波器(PIN TO PIN TI2010)CSP9/DFN8
5.CP2212 D类 3W/ch 、立体声、无需滤波器、D类音频功率放大器(PIN TO PIN
TPA2012,LM4674)CSP9,DFN8
6.CP2295 AB类 1.7W,单声道,无须BYPASS电容,全差分音频功放(PIN TO PIN
TI2010对于已经设计2010功放的板子无法解决FM干扰的,直接用CP2295替换,无须改板)CSP9
7.CP2290 AB类 3W,单声道,音频功放(PIN TO PIN LM4990ITL)
8.CP2296 AB类 3.1W,单声道,内置反馈电阻,全差分音频功放 CSP9,MSOP8,DFN8
9.CP2203 AB类 1.25W 、单声道、全差分音频功率放大器(PIN TO PIN TPA6203A1, TPA6201, TPA6205
)CSP8, MSOP8
10.CP2261 AB类 2.8W/ch 、立体声、内置反馈电阻、全差分音频功率放大器 QFN16
11.CP2262 D类(推荐**) 双音圈喇叭音频功放QFN16 Power output at 5.0V, 10%THD, 8Ω/coil 2.6 W
(typ)
12.CP2266 D类(推荐**) 三音圈喇叭音频功放QFN32 Power output at 5.0V, 1%THD, 6Ω/coil 5.4 W
(typ) Power output at 5.0V, 10%THD, 6Ω/coil 6.3 W (typ)
13.CP2235 D类(强力推荐****************) 10W 大功率音频功放,输入宽电压
三、背光驱动系列
提供用于手持式设备(包括手机, MP3 , PMP 等)背光 LED 驱动器产品。背光 LED 驱动器产品包括无电感的电荷泵型白光 LED 驱动器(并联 LED )、电感型白光 LED 驱动器(串联 LED )以及恒流源型白光LED驱动器,它们都具有高效率、低噪音、小型封装等特点。
1.CP2128 电荷泵型 低噪声、恒压电荷泵型2倍并联白光LED驱动器,可做闪光灯IC,或需要直接升5V的DC-DC SOT23-6L
AAT3110,AT1310,LTC3200,CAT3200,RT9361,REG710,TCA62753FUG,YB1300
2.CP2133 电荷泵型 4路1倍/1.5倍电荷泵型双模高效率并联白光LED驱动器 QFN16L FAN5616,YB1313,TPS60230
3.CP2136(强力推荐**) 电荷泵型 一线脉冲计数调光、6路1X/2X自适应电荷泵型LED驱动器(对于大屏使用5,6路LED都可以使用,性价比高) QFN16L
4.CP2166 6路背光
5.CP2148 八路低压降恒流型并联,驱动8 路LED,每路LED 最大电流:25mA 采用一线脉冲计数调光方式,LED 电流分16 步对数可调
以下为10.0~60.0寸屏背光
6.CP2123 BOOST PWM调光 最多60个LED,单串10LED 应用于中大屏LCD背光升压型白光LED驱动器 SOT23-5L & DFN8L2X2
7.CP2124 BOOST 一线调光 最多60个LED,单串10LED 应用于中大屏LCD背光升压型白光LED驱动器 SOT23-5L & DFN8L2X2
8.CP2120 BOOST PWM调光 单串10LED,比CP2123更节省空间和成本 TSOT-23
9.CP2188 BOOST+恒流 80个LED 应用于中大屏LCD背光升压型白光LED驱动器 MP3388
四、电阻式触摸屏控制器系列
1.CP2056 SPI 超低功耗、内置参考电压源、四线触摸屏控制器,压力检测(防止飞笔) TSSOP16,QFN16 TSC2046, AK4182A,
MT6301, AR7643, ADS7843, ADS7846, UH7843, XPT2046, ET2046Y
2.CP2007(强力推荐**) I2C I2C接口四线触摸屏控制器 TSSOP16,WCSP12 (PIN TO PIN TSC2007)
功能兼容AK4183
五、电容式触摸控制IC(带有背光驱动,蜂鸣,滑动检测功能,工作电压2.8-5.5V)
1.CP2532 SPI/IIC 12通道 多功能、宽工作电压范围、12键电容性触摸检测芯片 LQFP44, QFN40
2.CP2528 SPI/IIC 8通道 多功能、宽工作电压范围、8键电容性触摸检测芯片 LQFP32,QFN32
3.CP2526 6通道 多功能、宽工作电压范围、6键电容性触摸检测芯片 SOP28 QFN32
4.CP2524 4通道 多功能、宽工作电压范围、4键电容性触摸检测芯片 SOP24 QFN
5.CP2682 8通道 防水,抗电磁干扰 SSOP-24,SOP24,QFN
6.CP2688 8通道 SOC芯片 可编程
7.最新推出CP2681 单点触摸IC a触摸控制触 b摸开关功能,可以用于各类型单键触摸产品
六. 最新产品CP2701(USB接口IC)
目前在欧洲要求的5PIN USB接口上实现充电,数据传输以及耳机一体话可以使用该产品
特点:1.内置了充电保护功能
2.支持USB2.0
3.QFN20 3X3mm超小封装,焊点少,节约面积
4.支持UART
CP2701实现手机、MID等设备通过唯一的Micro-USB接口进行充电、USB通信,UART端口程序下载,以及带有Microphone, 线控耳机或者喇叭的连接
CP2701可以自动识别充电器类型,设置相应的充电电流,并且可以提
供到达28V的过压保护
CP2701内置5Bit的ADC模块,自动识别外设类型,基带芯片通过IIC接
口控制芯片内部的模拟开关继续信号的选择
七. 移动电源 三合一 芯片
CP4050, 硬件模式,放电1A, 充电2A.
效率83%以上,支持4路指示灯25,50,75,100%
移动电源 二合一 芯片
CP4048 省4050指示灯功能
CP2524SP-A1 Chiphomer 4键触摸按键IC SOP24
CP2526SP28-A1 Chiphomer 6键触摸按键IC SOP28
CP2528LQ32B Chiphomer 8键触摸按键IC QFN32
CP2528LP32B Chiphomer 8键触摸按键IC LQFP-32
CP2532LQ40B
Chiphomer 12键触摸按键IC QFN40
CP2532LP48B
Chiphomer 12键触摸按键IC LQFP48
CP2681-A1 Chiphomer 1键触摸按键IC SOT23-6
CP2681-B1 Chiphomer 1键触摸按键IC SOT23-6
CP2680SP8-A1 Chiphomer 2键触摸按键IC SOP8
CP2680SP14-A1 Chiphomer 4键触摸按键IC SOP14
CP2682SS24-A1 Chiphomer 8键触摸按键IC SSOP24
CP2682QN24-A1 Chiphomer 8键触摸按键IC QFN24
CP2682SP24-A1 Chiphomer 8键触摸按键IC SOP24
CP2308STCF Chiphomer 启攀微LDO代理 SOT23-6
CP2123ST-A2 Chiphomer 启攀微背光IC一级代理 SOT23-6
CP2123ST-A1 Chiphomer 启攀微背光IC一级代理 SOT23-6
CP2124 Chiphomer 启攀微背光IC一级代理 SOT23-6
CP2128 Chiphomer 启攀微背光IC一级代理 SOT23-6
CP2136QN-A3 Chiphomer 启攀微LED驱动器 QFN16
CP2148 Chiphomer 启攀微LED驱动器 QFN16
CP2166QN-A1 Chiphomer 启攀微六路共阳极电荷泵型LED驱动器 QFN16
CP2122ST-B1 Chiphomer 启攀微升压型白光LED驱动器 SOT23-5
CP2130 Chiphomer 启攀微LED驱动芯片一级代理 QFN16
CP2130G Chiphomer 启攀微LED驱动芯片一级代理 QFN16
CP2139ST Chiphomer 启攀微背光IC一级代理 SOT23-6
CP2140MM Chiphomer 启攀微背光IC一级代理 MSOP-8
CP2141ST Chiphomer 启攀微背光IC一级代理 SOT23-6
CP2142MM Chiphomer 启攀微背光IC一级代理 MSOP-8
CP2143ST Chiphomer 启攀微背光IC一级代理 SOT23-6
CP2144 Chiphomer 启攀微背光IC一级代理
CP2145MM-A1 Chiphomer 启攀微背光IC一级代理 MSOP-8
CP2188QN-A1 Chiphomer 启攀微升压型白光LED驱动器 QFN-24
产品均为环保正品,原厂进货,一手货源,价格优惠!质量可靠!常备现货!
深圳市奥伟斯科技有限公司
OWEIS TECH Co., LTD.
联系人:蔡先生 13751188660 QQ: 6678331
蔡经理 13751186100 QQ: 6638340
电话:0755-83221770 83254770
传真:0755-83254770
地址:深圳市福田区振中路中航苑鼎诚国际大厦611室
E-mali:OWEIS88@163.com
MSN:OWEIS_IC@163.com
www.oweis-tech.com
www.oweis-tech.cn
上一篇:CP2136QN-A1
下一篇:CP2124DN-A2
Copyright © 2013 深圳市奥伟斯科技有限公司版权所有 All Right Reserved ICP备:粤ICP备12049165号