产品详情介绍
奥伟斯科技专业的ADS触摸芯片代理商,TSM16C十六通道触控芯片
| TSM16CQN |
TSM16C功能
带自动灵敏度校准的16通道电容传感器
可选择的输出操作(单模/多模)
8段灵敏度独立调节
多芯片应用的同步功能
触摸强度可以在3个步骤内检测(低,中和高)
可通过外部电阻调节内部频率
by通过控制寄存器可调节响应时间和中断电平
I2C串行接口
嵌入式高频噪声消除电路
IDLE模式节省消耗
on用于手机应用的通道1上的嵌入式电源键功能
符合RoHS标准的28QFN封装
TSM16C应用
移动应用(手机/ PDA / PMP等)
薄膜开关更换
密封控制面板,键盘
门锁键矩阵应用
触摸屏更换应用程序
TSM16C封装图

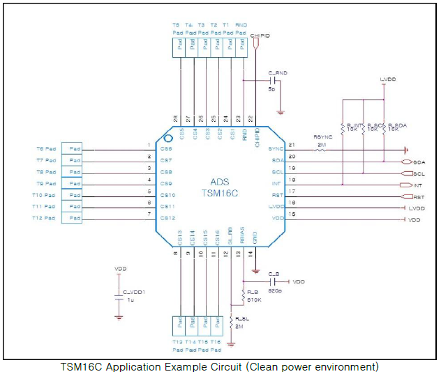
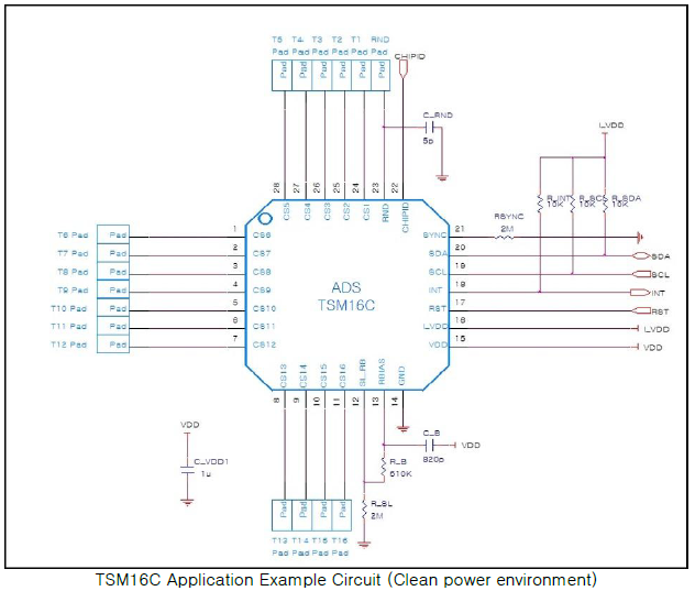
TSM16C原理图

时间:2017-03-05 来源:奥伟斯
上一篇:TSM12MC
下一篇:TS20 TS20-Q
Copyright © 2013 深圳市奥伟斯科技有限公司版权所有 All Right Reserved ICP备:粤ICP备12049165号