手机充电器承担将交流电转化成直流电的重任
将交流电转化成直流电就是整流电路的功劳
包括其它一些电子产品、电器电源部分的电路
很多都会有整流电路
下面我们来了解下整流电路是怎么实现整流的
整流电路用到的元器件是二极管
二极管是具有单向导通特性的一种器件
整流电路常用的有几种
最简单的整流电路
只需要1个二极管就能实现!
下面我们来看下常用几种整流电路

交流电的电流方向是会交替进行变化
为了方便我们分析
我们把交流电的这种变化分成正半周和负半周
在正半周时
电流方向如下图所示

这时二极管处在正向导通状态
电流能流过二极管
负载上就会有电流流过
而当交流电在负半周时
电流方向如下图所示

二极管处在反向截止状态
负载上就不会有电流流过
负载上输出的电压是整流前的0.45倍

通过整流之后
交流电就变成了直流电
但是这时的直流电电压大小还是随时间变化的
我们通常称之为脉动直流电!

全波整流电路
可以看作是由两个半波整流电路组合成的
变压器次级线圈中间需要引出一个抽头
把次级线圈分成两个对称的绕组
为了方便我们分析
我们把它看成两节电池
在正半周时候,电流方向如下图所示
这时D1是能够导通的
所以负载上会有电流流过

在负半周的时候
电流如下图所示
此时D2导通
负载上也有电流流过

无论是交流电的正半周还负半周
负载上都有电流流过
整个周期都能实现整流
整流的效率比较高
不会有像半波整流会浪费半个周期的现象
但是全波整流使用的变压器是要带抽头的
比普通的变压器制作稍复杂一些


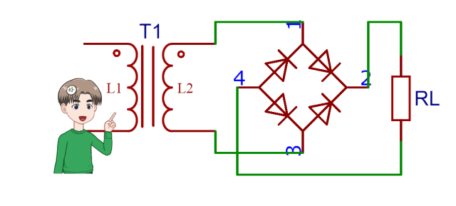
桥式整流电路是用得比较多的整流电路
由4个二极管组成电桥的连接形式
所以叫做桥式整流电路
使用的是普通的变压器
在交流电正半周时候
电流的方法如下图所示
有两个二极管处在导通状态
负载上有电流流过

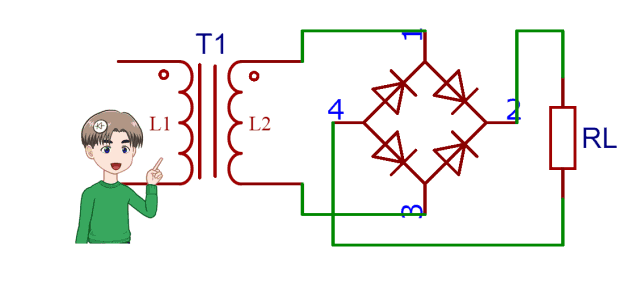
在交流电负半周时候
电流的方法如下图所示
负载上也有电流流过

所以
整个周期内
负载上都有电流流过
整个周期都能实现整流
整流的波形跟全波整流的波形是一样的
整流后输出的电压也是整流前的0.9倍

上面就是常见的几种整流电路
而桥式整流电路应用得是比较多的
Copyright © 2013 深圳市奥伟斯科技有限公司版权所有 All Right Reserved ICP备:粤ICP备12049165号