MLDU01A基于ADMC01芯片的电容式电平传感模块解决方案
AD半导体总是试图成为最好的触摸传感器和模块市场。再次,ADS已经加紧介绍ADMC01座椅模块。 ADMC01基本上是1CH触摸传感器,ADS制造了坐浴盆座椅模块。
ADMC01触摸传感器IC可用于净水器的直接和间接水传感器模块和坐浴盆座椅模块。使用ADMC01的模块非常易于使用,旨在实现最佳性能并保持产品的复杂性。
ADMC01 Touch提供三个定时器/计数器,单个可编程I / O端口,1通道电容集成触摸传感器端口,包括温度检测器,一个看门狗定时器,通过LVD(低电压检测器)的POR(上电复位),1通道PWM,一个I ^ 2 C从机作为外设。此外,它还包含一个内部环形振荡器,可以产生最大值。 8MHz(典型值4MHz)系统时钟信号,而不是外部晶体振荡器。它支持内部30KHz振荡器,用于不同的节电,并提供有效的功率降低模式和EMI降噪功能。
根据上述信息,ADMC01对于在产品上使用具有很大的好处。此外,ADMC01最近通过了来自5V的CS认证,这意味着CS Free。 ADS不断满足我们的客户,并期待与您合作的业务合作伙伴。谢谢。
MLDU01A规格

MLDU01A产品规格/引线脚位

MLDU01A特征

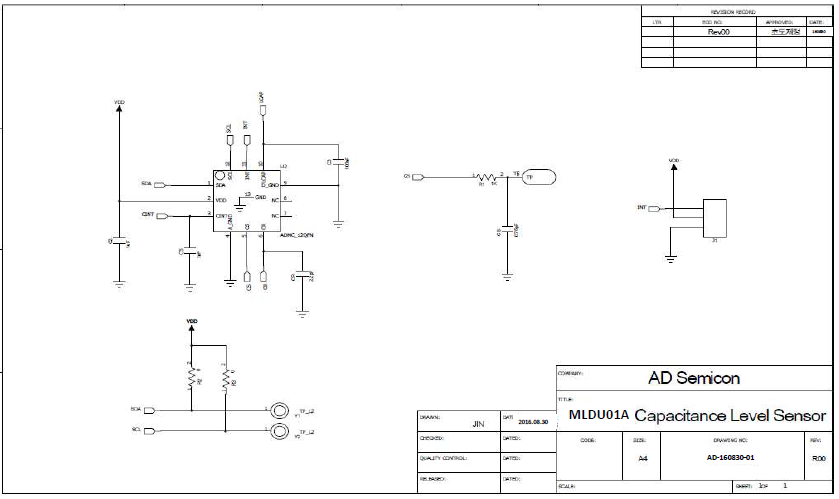
MLDU01A原理图

MLDU01A PCB Layout

Copyright © 2013 深圳市奥伟斯科技有限公司版权所有 All Right Reserved ICP备:粤ICP备12049165号