基于韩国ADS TS01S(B)的触立停风扇应用(触摸电风扇网罩自停电)
TS01S(B)(单通道差分灵敏度校准电容式触摸传感器)
1.1 General features
1-Channel capacitive touch sensor with differential sensitivity calibration
Low power consumption
Uniformly adjustable sensitivity
Sync function for parallel operation
Three steps sensitivity available without external component
Open-drain digital output
Internal power on reset
Embedded common and normal noise elimination circuit
RoHS compliant SOT-26 package
1.2 Application
Home appliance
Mobile application (PMP, Navigation, MP3 etc)
Membrane switch replacement
Human interface for toys & interactive games
Sealed control panels, keypads
TS01S(B)特性
具有差分灵敏度校准的1通道电容式触摸传感器
低功耗
均匀可调灵敏度
用于并行操作的同步功能
三级灵敏度,无需外部组件
开漏数字输出
内部上电复位
嵌入式常用噪声消除电路
符合RoHS标准的SOT-26封装
TS01S(B)应用
家电
移动应用程序(PMP,导航,MP3等)
薄膜开关更换
人机界面的玩具和互动游戏
密封控制面板,键盘
TS01S(B)原理图

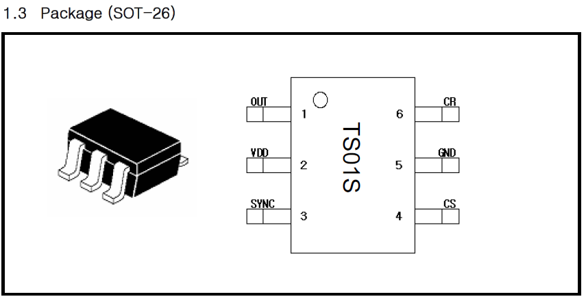
TS01S(B)封装图

接近传感器风扇/触立停风扇应用
1.Application实现
1. 1. 开机电风扇

1. 2. 手靠近运转中的电风扇时LED灯亮

1. 3. 越靠近的时候LED亮灯越多

1. 4. 手接触到电风扇的时候停止电风扇

1. 5. 手远离电风扇的时候LED灯灭,风扇动作

2. Application优势
●
2. 1. 防止安全事故,不需要用安全网,所以风量更大的效果.
2. 2. 人接触到电风扇的时候停止,使用的更安全
3. Application的特性
特点
8位Turbo 80C51架构
小尺寸
数字输出,I2C接口
接近通道:1〜4通道
低功耗
宽范围电压支持(1.8V〜5.5V)
符合RoHS标准
2.规格
8位Turbo 80C51架构(4个时钟周期/ 1个机器周期)
接近通道:1〜4通道
输出 - DAC,并行,I2C接口支持。
宽范围电压支持(1.8V〜5.5V)
符合RoHS标准
嵌入式常用噪声消除电路
工作温度:5℃〜70℃
储存温度:0℃〜85℃
H.B.M:8KV M.M:500V C.D.M 800V
Demension&Pin Map - 未解决
灵敏度 - 未结算
案例质量的材料和颜色 - 不安
线束规格 - 不稳定
材料的模具质量 - 不稳定
OWEIS提供全方面的解决方案! 有需求请联系销售人员!
深圳市奥伟斯科技有限公司
OWEIS TECH Co., LTD.
联系人:蔡明柱 13751188660 QQ: 6678331
电话:0755-82544779
传真:0755-23805907
地址:深圳市福田区振中路中航苑鼎诚国际大厦611室
E-mali:leven@oweis-tech.com
MSN:OWEIS_IC@163.com
www.oweis-tech.com
www.oweis-tech.cn
Copyright © 2013 深圳市奥伟斯科技有限公司版权所有 All Right Reserved ICP备:粤ICP备12049165号