您当前的位置:首页 > 润石运算放大器

产品中心

24小时服务热线 0755-82544779

  • RS8551XF	精密运算放大器 RUNIC代理
  • RS8551XF	精密运算放大器 RUNIC代理

RS8551XF 精密运算放大器 RUNIC代理

润石精密运算放大器

产品详情介绍

润石RS8551XF 精密运算放大器 RUNIC代理



江苏润石科技有限公司,位于江苏省无锡市,2014年8月于成立,核心业务及产品:公司经营范围:模拟、混合信号链及ASIC芯片设计,生产,销售

主要产品:运算放大器(高精度,低功耗,低噪声,微功耗,高速),比较器,模拟开关,电源管理,高精度ADC,ASIC.

  润石科部分产品填补国内空白,可与国际领先产品相媲美;所有产品自主研发,有自主专利;

  目前主要分以下3大类产品:标准信号链产品: 放大器系列产品,比较器,模拟开关,主要应用工业控制,如电动车,有毒气体检测,安防,扫地机器人,点钞机等

  高精度数据转换器:24/32位高精度ADC,主要应用工业控制;16位低功耗ADC,主要应用于消费类等,如穿戴市场,手表,指甲血氧仪等

  专用芯片(ASIC):集成MCU专用于PIR(红外热释电--人体自动感应)市场.

High Precision Amplifier RS8551(Single),RS8552(Double),RS8554(Quad)


TWS耳机应用--模拟开关RS2323

  TWS 耳机由充电盒,左耳机和右耳机组成。为了提高耳机与充电盒的识别匹配效率,目前的趋势是把充电口和通讯口复用,而无须再通过蓝牙的通讯识别。充电电流一般为 100mA 左右,通讯线的频率最高也不会超过 1MHz,增加模拟开关用于切换达到分时复用的目的,对模拟开关的要求是尽量低导通电阻,允许数百 mA 电流通过,而且具有一定的带宽。

TWS 耳机应用--LDO RS3221

  高端TWS 耳机上有些需要外挂传感器,比如G sensor、触感、光感等,就需要单独的LDO来给传感器供电,这里对LDO的芯片尺寸和自身功耗就有极高的要求。RS3221提供DFN1x1封装尺寸,自身静态功耗1uA,可以满足设计要求。

蓝牙降噪耳机应用--RS550

  蓝牙降噪耳机一般需要有一个功能,即降噪模块不工作时,外部的 Line in 信号可以正常输入,这个功能需要用到耗尽型的模拟开关来实现,具体表现为模拟开关有电时隔离,断电后导通。RS550 是专门为这种应用设计的耗尽型模拟开关。

蓝牙降噪耳机应用--RS721/722/RS724

  蓝牙降噪耳机有多种方案实现,高端的AMS方案已经高度集成,中低端的方案比如杰理都会用到低噪声运放对音频做一些简单处理,RS721/722/RS724系列低噪声系列运放非常适合音频系统的应用。

  RS2118音频切换开关需要正常供电下才能正常工作:低导通阻抗:0.8Ω能通过信号范围:

RS8511XK

RS8511XM

RS8511XF

RS8512XK

RS8512XM

RS8512XTDE8

RS8513XN

RS8514XP

RS8514XQ

RS8521XK

RS8521XM

RS8521XF

RS8522XK

RS8522XM

RS8522XTDE8

RS8523XN

RS8524XP

RS8524XQ

RS8538XK

RS8538XM

RS8538XF

RS8539XK

RS8539XM

RS8539XTDE8

RS8551XK

RS8551XM

RS8551XF

RS8552XK

RS8552XM

RS8552XTDE8

RS8553XM


奥伟斯专业代理润石运算放大器

润石运算放大器代理商

润石一级代理商

RUNIC一级代理商

RUNIC润石一级代理商

润石代理商

RUNIC代理商

RUNIC润石代理商

润石运算放大器代理商


Leven Cai 蔡明柱

MOB : 13751188660 (微信同号)

深圳市奥伟斯科技有限公司

OWEIS ELECTRONICS Co., LIMITED.

总部:深圳市福田区深南中路3006号佳和华强大厦A座7楼

佛山分公司:佛山市顺德区北滘镇深业路深业城49栋2801室 

香港分公司:香港新界沙田火炭坳背湾街45-47号喜利佳工业大厦13楼F室

TEL : +86-755-82544779    FAX : +86-755-23805907 

www.oweis-tech.com    E-Mail : leven@oweis-tech.com

专业代理销售产品:电容式触摸芯片 电源管理芯片 显示驱动芯片 马达驱动芯片 音频功放芯片 运算放大器  单片机 MOS管 贴片电解电容 贴片电阻 二极管 三极管  红外线接收头 光电开关

专业代理销售品牌:ADSEMI  IKSEMI  TISEMI   AUK  FOSAN/富信 FOLLON/富隆 ICMAN/晶尊微 Chipsbank/芯邦  RUNIC/润石 Gainsil/聚洵 3PEAK/思瑞浦 杭州中科微 HEROIC/禾润















时间:2024-01-06    来源:奥伟斯   
关于我们
关于我们
组织架构
发展历程
资质证书
联系我们
产品中心
OWEIS
IKSemicon
TISemicon
ADSemicon
OPTOMEI
KODENSHI AUK
ICMAN晶尊微
GIANTEC聚辰
RAMXEED富士通
触摸芯片
MCU单片机
杭州中科微
Heroic禾润电子
电源管理芯片
天微显示驱动芯片
3PEAK运算放大器
聚洵运算放大器
润石运算放大器
巨华积体语音芯片
蓝牙WIFI方案开发
贴片发光二极管
华润微
集成电路
FOLLON贴片电解电容器
解决方案
充电器电源解决方案
适配器电源解决方案
智能电表电源解决方案
智能家电电源解决方案
金属触摸控制解决方案
触摸控制解决方案
触摸芯片设计指南
水位检测解决方案
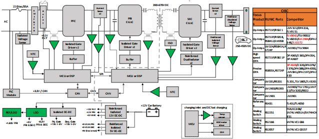
汽车传感器解决方案
新闻中心
新品发布
公司新闻
市场动态
活动公告
媒体报道
资料下载
ROHS环保报告
公司介绍/产品目录
OWEIS电源芯片技术资料
OWEIS触摸芯片技术资料
OWEIS接口芯片技术资料
OWEIS场效应管技术资料
IKSemi技术资料
KODENSHI AUK资料
CORERIVER技术资料
ADS技术资料
万代技术资料
芯邦技术资料
启攀微技术资料
博晶微技术资料
海栎创技术资料
融和微技术资料
芯朋微技术资料
启臣微技术资料
美格纳技术资料
比亚迪技术资料
在线客服