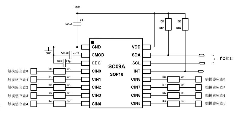
SC09A(九通道触摸按键)



特性:
• 9 个完全独立的触摸感应按键
• 保持自动校正,无需外部干预
• 按键输出经过完全消抖
• I2C 串行接口
• 所有按键共用一个灵敏度电容
• 感应线长度不同不会导致灵敏度不同
• 2.5V ~ 6.0V 工作电压
• 符合 RoHS 指令的环保 SOP16 封装
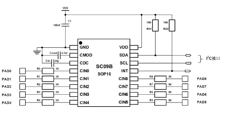
SC09B(九通道触摸按键)



特性:
• 9 个完全独立的触摸感应按键
• 保持自动校正,无需外部干预
• 按键输出经过完全消抖
• I2C 串行接口
• 所有按键共用一个灵敏度电容
• 感应线长度不同不会导致灵敏度不同
• 2.5V ~ 6.0V 工作电压
• 符合 RoHS 指令的环保 SOP16 封装
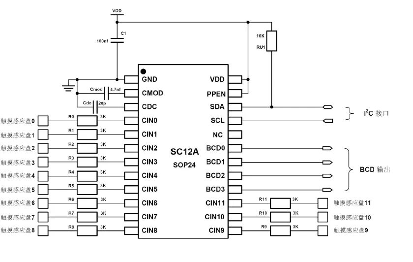
SC12A(十二通道触摸按键)



特性:
• 12 个完全独立的触摸感应按键
• 保持自动校正,无需外部干预
• 按键输出经过完全消抖处理
• 多接口 – I2C 串行接口 / BCD 码输出
• 所有按键共用一个灵敏度电容
• 感应线长度不同不会导致灵敏度不同
• 2.5V ~ 6.0V 工作电压
• 符合 RoHS 指令的环保 SOP24 封装
SC12B(十二通道触摸按键)



特性:
• 12 个完全独立的触摸感应按键
• 保持自动校正,无需外部干预
• 按键输出经过完全消抖处理
• 多接口 – I2C 串行接口 / BCD 码输出
• 多种灵敏度调节方式 – 共用灵敏度电容/寄存器配置
• 空闲状态可以节省功耗
• 2.5V ~ 6.0V 工作电压
• 符合 RoHS 指令的环保 SOP24 封装
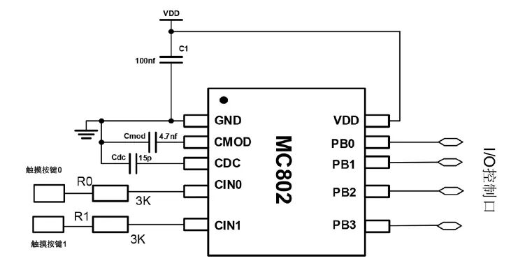
MC802(单片机2通道按键)



特性:
• 2 个完全独立的触摸感应按键
• 内置自校正功能,适应环境温湿度变化
• 触摸输出经消抖处理,响应时间约28ms(按下)/18ms(释放)
• 触摸模块硬件独立,不占内核资源
• 灵敏度电容可调(5pF~100pF)
• 具备自动睡眠模式
• 工作电压范围:2.0V ~ 5.5V
• 集成红外载波输出(38KHz/57KHz可选)
• 采用 MSOP10 封装
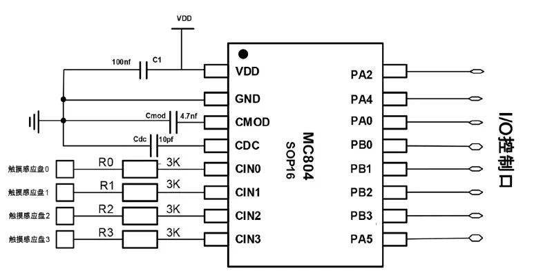
MC804(单片机4通道按键)



特性:
• 4路自校正触摸按键
• 8位RISC内核,2K程序存储
• 12位ADC,11+1通道
• 8个可编程I/O口
• 3组PWM/蜂鸣器输出
• 红外载波输出
• 工作电压2.0V-5.5V
• 四种省电模式
• 内置看门狗与电压监测
WS003B电容式管道液体检测模组

特性:
• 体积小,成本低
• 液位检测精度高,有水即可检测,和水量无关,和水质无关,不容易误判,可靠性高
• 加电解液后也可稳定检测
• 无机械运动部件,稳定性好,不容易磨损,可靠性高
• 输出信号为经过消抖为高低电平信号,处理方便
• 符合 RoHS 指令的环保标准,防水等级高

选型表格


合作伙伴

Copyright © 2013 深圳市奥伟斯科技有限公司版权所有 All Right Reserved ICP备:粤ICP备12049165号