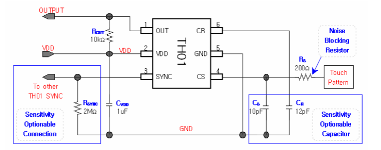
TH01是一款由AD Semiconductor设计的单通道差分灵敏度校准电容式触摸传感器,产品采用差分灵敏度校准技术,能有效实现初始触摸检测,并内置了共模与常规噪声消除电路,提升了系统的稳定性和抗干扰能力。此外,TH01还具备均匀可调的灵敏度,支持通过SYNC引脚实现多器件并行工作,且无需外接元件即可选择高、中、低三档灵敏度,极大简化了系统设计。
在电气参数方面,TH01具有低功耗特性,在3.3V供电时典型工作电流仅为15μA,在5V时约为30μA,适用于对功耗敏感的应用场景。其工作电压范围广泛,介于2.5V至5.0V之间,能够适应不同的电源环境。在抗干扰性能上,TH01具备良好的ESD防护能力,人体模型(HBM)可承受±8000V,机器模型(MM)为±500V,同时具有闩锁抗扰性,适合在噪声环境中稳定工作。
该传感器适用于多种触摸感应场合,包括家用电器、手机霍尔传感器替代、需要初始触摸检测的交互设备、薄膜开关替代、玩具及互动游戏的人机接口、密封控制面板与键盘,以及智能坐便器的座垫传感等。尤其在密封或需要防水的面板中,它能提供干净、耐用的触摸解决方案。设计时只需注意触摸走线尽量短,电源尽量独立稳定,就能获得灵敏且稳定的触摸效果。
如您有触摸芯片或传感器模组的选型、采购或技术支持需求,欢迎随时联系奥伟斯科技,我们将为您提供专业、高效的一站式服务。



产品推荐:
单通道芯片:TS01S、AWS01 TH01
双通道芯片:TS02NR、TS02NT、TS02NC
4通道芯片:TS04 TS04P
6通道芯片:TS06
8通道芯片:TS08NC、TS08NT、TS08NE、TS08P ANSG08SH ANSG08SL
12通道芯片:TSM12、TSM12(32QFN)、TSM12M、TSM12MC、TS12、TS12C
16通道芯片:TSM16CQN
20通道芯片:TS20、TS20-Q、TS20
Copyright © 2013 深圳市奥伟斯科技有限公司版权所有 All Right Reserved ICP备:粤ICP备12049165号