在模拟世界中,所有电子设备都需要与现实世界交互,因此他们需要能够将真实世界的物理量转换为电子世界中的电压值。要测量电压,就需要一个基准电压作为衡量标准,那就是今天的主角——电压基准芯片。
作为电子系统中的基础性关键元件,电压基准芯片在整个电路中发挥着至关重要的作用。它们如同宇宙中的参照点,提供着稳定而可靠的电压基准,确保每一个电子元件都能在各自的位置上精准而有序地运行。
这样一颗小小的芯片 ,只要电路需要,它就能提供已知电位。这份工作可能是几分钟、几小时甚至几年。
今天,就让我们跟着ADI(亚德诺)公司的ADR0X系列产品,一起走进电压基准芯片的奇妙世界,探寻它背后的奥秘。

ADR02是ADI推出的一款低功耗、高精度、高稳定性带隙电压基准芯片,属于ADR0x系列核心成员,提供5V固定输出电压,专为中压场景的精密供电需求设计。
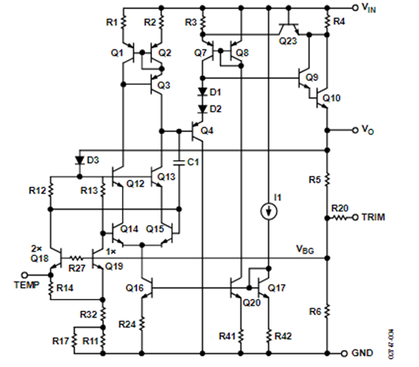
它的输入电压为7V~36V,温漂为10ppm/°C(最大值),噪声为10uVp-p(0.1Hz~10Hz),输出电流为10mA,工作温度为-40℃~+125℃。从下图的电路整理效果来看,它的内部电路构成比较简单。(滑动查看对比图)


另外,ADR02提供多种封装选项,包括SOIC-8、SC70-5、TSOT-23等,其中SOIC封装已经通过了AEC-Q100汽车级认证,适合直接应用于车载电子系统中。

除了ADR02,ADR0X系列中还有另外几个成员,其中包含ADR01和ADR03。他们的不同之处主要在于输出电压、初始精度和温度系数等。

在SOIC封装形式下,ADR02的温度系数表现出典型的±3 ppm/℃,能够在-40℃至125℃的宽泛温度范围内保持出色的稳定性,这一性能明显优于ADR03同类型封装的±9 ppm/℃。
虽然各个参数方面有一定的差别,但是从概貌图对比中我们也能看出,他们三个简直就是一个模子刻出来的:

ADR02和ADR01概貌图

ADR03概貌图
三款芯片的参数不同,他们也适应于不同的应用场景。ADR01适合高压场景下工业级数据采集系统等高分辨率ADC校准,而ADR02可以直接驱动中压传感器网络,简化电源设计。ADR03可以胜任低压场景,为MCU内核供电。
ADR02作为一款高精度、低噪声、低漂移的电压参考源,广泛应用于需要高精度电压参考的场合,如精密测量、自动化控制、通信设备和电源管理等领域。
随着欧盟RoHS 3.0与汽车功能安全标准ISO 26262的推行,ADR02系列中符合无铅标准(如ADR02BKSZ-REEL7)的型号需求激增。
2025年采芯网数据显示,其工业与汽车领域出货占比已达65%。未来,随着边缘AI设备的普及,ADR02有望进一步渗透至智能传感器与低功耗物联网终端。
下面平台君给大家分享一些该芯片的器件细节图。

三极管

电阻
Copyright © 2013 深圳市奥伟斯科技有限公司版权所有 All Right Reserved ICP备:粤ICP备12049165号