本文通过分析低侧栅极驱动器的等效电路来计算如何合理的选取RGATE电阻的阻值,既要保持MOS管的良好开关性能,还要有效抑制振铃的产生。通过计算后的理论值来模拟实验,能够最大化的选取合理的RGATE阻值。另外针对栅极驱动回路中,导通和关断回路进行了不同的结构形态的计算,来研究有无串联二极管带来的影响,同时针对三种结构的电路进行功耗计算,最后文章中给出低侧栅极驱动器Layout中的注意事项,还有不同品牌厂家的芯片驱动峰值电流值不同带来的替换差异。本文可以帮助客户快速理解低侧栅极驱动器的相关计算。
1、RGATE 电阻计算
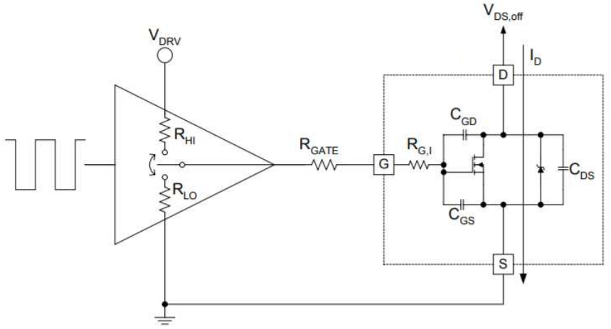
1.1、驱动电阻的构成

图1-1-1
图1-1-1展示了栅极驱动路径中的串联电阻RG的组成部分:
RHI:驱动芯片输出上拉电阻
RLO:驱动芯片输出下拉电阻
RGATE:外部栅极电阻
RG,I:开关管内部栅极电阻
所以:

以上参数中,RLO可以通过查阅datasheet直接得到,由于驱动芯片内部是NMOS和PMOS并联混合上拉结构,所以在计算中RHI≈RLO * 1.5 ;MOSFET内部的RG,I可以通过查阅datasheet得到,如果规格书内未注明RG,I可使用LCR电桥在GS两端施加1MHz的测试信号,测得Rs值即为RG,I。
1.2、根据实际电路调试 RGATE 电阻

图1-1
图1-1展示了实际电路中的谐振回路,寄生电感LS和输入电容GISS产生高频谐振,而RG则是起到衰减谐振的作用,Q为阻尼系数,一般取0.5。

上述计算是一个逐渐迭代的过程,需要先获得初步数据再进行计算调试。
实例:

图1-2
使用RS8801驱动MOS-IRFB3607,外部栅极电阻 RGATE取0Ω进行初步实验,使用探头x10档、接地弹簧得到以下波形:

图1-3
查阅IRFB3607、RS8801手册

![]()
图1-4
根据图1-3测量的结果可得:
fR=16.66MHz;GISS=3100pF;计算可得RG=6.16Ω,又因为RLO=0.5Ω;RG,I=0.55Ω,所以RGATE=5.11Ω,取5.1Ω。

图1-5
调整RGATE后的波形如下:

图1-6
可以看到上升沿的过冲已从12.77V降为12V,波形改善明显。
2、外围电路外围电路
2.1、Sink/Source电流路径分离
驱动MOS需要遵守 “慢开快关“的原则 ,慢开是指MOS管开通时不能因驱动波形振荡而引起EMI问题,快关则是指MOS管关断要尽可能的快,一方面可以减小关断损耗,另一方面在半桥驱动的场合保证死区时间,防止炸管。但是前文中RGATE阻值已经确定,如何才能做到不改变RGATE的情况下快速关断MOS呢?见下图2-1

图2-1

图2-2
Copyright © 2013 深圳市奥伟斯科技有限公司版权所有 All Right Reserved ICP备:粤ICP备12049165号