奥伟斯-实时音频信号跟踪的全集成同步升压转换器HT71778
HT71778是一款高功率、全集成升压转换器,集成16mΩ功率开关管和18mΩ同步整流管,为便携式系统提供高效的小尺寸解决方案。
HT71778具有宽输入电压范围,可为采用单节或两节锂电池的应用提供支持。该器件可为音频功率放大器提供实时跟随音源信号的电源供电,从而在整个功率段内使整个系统保持在高效率。该方式供电相比直接升压供电方式,电池续航时间预计可提升50%以上 。
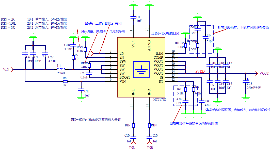
HT71778采用自适应恒定关断时间峰值电流控制拓扑结构来调节输出电压。在中等到重负载条件下,HT71778工作在PWM 模式。在轻负载条件下,该器件工作在可提高效率的PFM模式。PWM模式下,HT71778的开关频率可通过外部电阻调节,支持200kHz至1.0MHz的范围。
HT71778还支持可编程的软启动,以及可调节的开关峰值电流限制。
此外,该器件还提供有22V输出过压保护、逐周期过流保护和热关断保护。
・实时音频信号跟踪的电源供电
SN 悬空, VIN = 2.7~9V, VOUT = 9V~18V
・可编程峰值电流:15A
・高转换效率:

Copyright © 2013 深圳市奥伟斯科技有限公司版权所有 All Right Reserved ICP备:粤ICP备12049165号