芯朋微PN8149的12V1.5A适配器电源方案

时间:2017-07-18    来源:本站    点击:9683次   

[摘要] PN8149NSC-T1 芯朋微PN8149的12V1.5A适配器电源方案

芯朋微PN8149NSC-T1 12V1.5A 适配器方案

芯朋微PN8149的12V1.5A适配器电源方案

 

电气规格

222.png

 

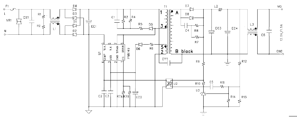
电路图

333.png

 

电源外观
以下为该电源的实物图片:

111.png

 

关于我们
关于我们
组织架构
发展历程
资质证书
联系我们
产品中心
OWEIS
IKSemicon
TISemicon
ADSemicon
OPTOMEI
KODENSHI AUK
ICMAN晶尊微
GIANTEC聚辰
RAMXEED富士通
触摸芯片
MCU单片机
杭州中科微
Heroic禾润电子
电源管理芯片
天微显示驱动芯片
3PEAK运算放大器
聚洵运算放大器
润石运算放大器
巨华积体语音芯片
蓝牙WIFI方案开发
贴片发光二极管
华润微
集成电路
FOLLON贴片电解电容器
解决方案
充电器电源解决方案
适配器电源解决方案
智能电表电源解决方案
智能家电电源解决方案
金属触摸控制解决方案
触摸控制解决方案
触摸芯片设计指南
水位检测解决方案
汽车传感器解决方案
新闻中心
新品发布
公司新闻
市场动态
活动公告
媒体报道
资料下载
ROHS环保报告
公司介绍/产品目录
OWEIS电源芯片技术资料
OWEIS触摸芯片技术资料
OWEIS接口芯片技术资料
OWEIS场效应管技术资料
IKSemi技术资料
KODENSHI AUK资料
CORERIVER技术资料
ADS技术资料
万代技术资料
芯邦技术资料
启攀微技术资料
博晶微技术资料
海栎创技术资料
融和微技术资料
芯朋微技术资料
启臣微技术资料
美格纳技术资料
比亚迪技术资料
在线客服